Счетчик газа СГ16МТ-Р, СГ75МТ-Р
СГ16МТ-Р, СГ75МТ-Р предназначены для измерения объема плавно меняющихся потоков очищенных неагрессивных одно- и многокомпонентных газов (природный газ, попутный газ с парциальным давлением сероводорода не более 0,01 МПа, воздух, азот, аргон и др. с плотностью при нормальных условиях не менее 0,67 кг/м3) при использовании их в установках промышленных и коммунальных предприятий и для учета при коммерческих операциях. Счетчик может устанавливаться в трубопроводе как горизонтально, так и вертикально при направлении потока газа как снизу вверх, так и сверху вниз. Перед счетчиком необходимо устанавливать фильтр для очистки газа от механических примесей (размер твердых частиц, находящихся в измеряемом газе, по наибольшему измеренному значению не должен превышать 0,08 мм).
По габаритно-присоединительным размерам счетчики СГ16МТ-Р, СГ75МТ-Р полностью заменяют все ранее выпускавшиеся счетчики типа СГ.
Благодаря усовершенствованной конструкции счетчиков нового поколения увеличился диапазон измерения счетчиков до 1:30 и улучшились метрологические характеристики, диапазон измерения расхода с погрешностью ± 1% увеличился с диапазона 1:5 до 1:20. При этом длина прямолинейных участков до и после счетчика уменьшилась.
Счетчики газа СГ16МТ-Р, СГ75МТ-Р имеют низкочастотный выход (герконовый контакт), который позволяет подключать его к искробезопасной цепи электронного корректора.
Количество импульсов «НЧ» выхода, соответствующее прохождению через счетчик 1 м3 газа:
10 имп./м3 — для СГ16МТ-100-Р — СГ16МТ-650-Р, — для СГ75МТ-160-Р — СГ75МТ-650-Р
- 1 имп./м3 — для остальных счетчиков.
Длина прямолинейных участков трубопровода должна быть не менее:
- при слабых возмущениях (отвод, колено, диффузор) 2 ду перед счетчиком и 1 Ду после счетчика;
- при сильных возмущениях (регулятор давления, двойной изгиб трубы в разных плоскостях) 5 Ду перед счетчиком и 3 Ду после счетчика.
При установке перед счетчиком стабилизатора потока газа (СПГ) дополнительные прямые участки перед СПГ и после счетчика не требуются.
При монтаже газовых счетчиков рекомендуется применять: фланцы из стали 09Г2С-Св-4 ГОСТ 19281-89 для СГ16МТ по ГОСТ 12820-80, для СГ75МТ по ГОСТ 12821-80; для уплотнения фланцевых соединений прокладки для СГ16МТ из паронита ПМБ ГОСТ 481-80, для СГ75МТ из алюминия по ГОСТ 21631-76; шпильки из стали 35Х технические требования по ГОСТ 10494-80; гайки из стали 35Х ГОСТ 10495-80.
Межповерочный интервал 8 лет
Гарантийный срок 24 месяца
Срок службы не менее 12 лет
Счетчик соответствует ГОСТ 28724-90.
| Температура измеряемого газа, °С | от -20 до +50 |
| Температура окружающего воздуха, °С | от -40 до +70 |
| Рабочее давление измеряемого газа, МПа | 1,6 (СГ16); 7,5 (СГ75) |
| Потеря давления, не более, Па (мм вод.ст.) | 1800 (180) |
Точностные характеристики
|
Порог чувствительности счетчика, не более |
|
|
0,033 Qmax |
для СГ16МТ-100 - Р |
| 0,02 Qmax | для остальных исполнений |
| Исполнение |
Пределы допускаемой относительной погрешности в зависимости от диапазона расходов (отношение Qmin к Qmax), % |
|||||||||
|
1:10 |
1:12,5 | 1:20 | 1:25 | 1:30 | ||||||
|
от 0,2
Qmax до Qmax |
от |
от 0,1 |
от |
от 0,1 |
от |
от 0,05 |
от |
от 0,05 |
от |
|
| СГ16МТ-65 | ±1,0 | ±1,9 | ±1,0 | ±1,9 | ||||||
| СГ16МТ-100 | ±1,0 | ±1,9 | ||||||||
| СГ16МТ-160 | ||||||||||
| СГ75МТ-160 | ||||||||||
| СГ16МТ-250 |
|
|
|
|
±1,0 | ±1,9 | ±1,0 | ±1,9 | ||
| СГ16МТ-400 |
|
|
|
|
||||||
| СГ16МТ-650 |
|
|
||||||||
| СГ75МТ-250 |
|
|
|
|
||||||
| СГ75МТ-400 |
±1,0 |
±1,6 | ±1,0 | ±1,6 | ±1,0 | ±1,6 | ||||
| СГ75МТ-650 | ||||||||||
| СГ16МТ-800 | ||||||||||
| СГ75МТ-800 | ||||||||||
| СГ16МТ-1000 | ||||||||||
| СГ75МТ-1000 | ||||||||||
| СГ16МТ-1600 |
±0,9 |
±1,3 | ±0,9 | ±1,3 | ||||||
| СГ75МТ-1600 | ||||||||||
| СГ16МТ-2500 | ||||||||||
| СГ75МТ-2500 | ||||||||||
| СГ16МТ-4000 | ||||||||||
| СГ75МТ-4000 | ||||||||||
|
Приняты следующие обозначения: Qmax – максимальный объемный расход, м3/ч; Qmin – минимальный объемный расход, м3/ч. |
||||||||||
Обозначение при заказе
Условное обозначение счетчиков
СГ16МТ-Р и СГ75МТ-Р при заказе и в документации другой продукции должно состоять из обозначения базовой модели счетчика, которое состоит из обозначения типа — СГ, символа 16, обозначающего максимальное значение давления измеряемой среды 1,6 МПа (16 кгс/см2) или символа 75, обозначающего максимальное значение давления измеряемой среды 7,5 МПа (75 кгс/см2), символа МТ (модернизированный счетный редуктор), максимального значения объемного расхода, символа Р, обозначающего расширенный диапазон измерения, цифры 1, обозначающей исполнение счетчиков, предназначенных для работы в диапазоне расходов 1:12,5 (только для СГ16МТ-100-Р), или цифры 2, обозначающей исполнение счетчиков, предназначенных для работы в диапазоне 1:20, или цифры 3, обозначающей исполнение счетчиков, предназначенных для работы в диапазоне 1:25 (СГ16МТ 250 Р — СГ16МТ-650-Р, СГ75МТ-250-Р — СГ75МТ-650-Р) и в диапазоне 1:30 (СГ16МТ-800-Р — СГ16МТ-4000-Р, СГ75МТ 800 Р — СГ75МТ-4000-Р).
Пример обозначения счетчика для максимального значения объемного расхода — 100 м3/ч и давления среды до 1,6 МПа (16 кгс/см2), диапазон измерения 1:10: СГ16МТ-100-Р ЛГФИ.407221.001 ТУ.
Пример обозначения счетчика для максимального значения объемного расхода — 250 м3/ч и давления среды до 1,6 МПа (16 кгс/см2), диапазон измерения 1:20: СГ16МТ-250-Р-2 ЛГФИ.407221.001 ТУ.
Пример обозначения счетчика для максимального значения объемного расхода — 250 м3/ч и давления среды до 7,5 МПа (75 кгс/см2), диапазон измерения 1:25: СГ75МТ-250-Р-3 ЛГФИ.407221.001 ТУ.
|
Условное обозначение |
Ду, мм |
Qmax, м3/ч |
Qmin, м3/ч |
Масса, кг |
| СГ16МТ-65-Р | 50 | 65 | 5 | 7,5 |
| СГ16МТ-100-Р | 50 | 100 | 5 | 7,5 |
| СГ16МТ-160-Р |
80 |
160 |
8 |
13 |
| СГ16МТ-250-Р | 80 | 250 | 8 | 13 |
| СГ16МТ-400-Р | 100 | 400 | 12,5 | 17 |
| СГ16МТ-650-Р | 100 | 650 | 20 | 17 |
| СГ16МТ-800-Р | 150 | 800 | 26,6 | 32 |
| СГ16МТ-1000-Р | 150 | 1000 | 32,5 | 32 |
| СГ16МТ-1600-Р | 200 | 1600 | 53,3 | 46 |
| СГ16МТ-2500-Р | 200 | 2500 | 80 | 46 |
| СГ16МТ-4000-Р | 200 | 4000 | 130 | 46 |
| СГ75МТ-160-Р | 80 | 160 | 8 | 17 |
| СГ75МТ-250-Р | 80 | 250 | 8 | 17 |
| СГ75МТ-400-Р | 100 | 400 | 12,5 | 20 |
| СГ75МТ-650-Р | 100 | 650 | 20 | 20 |
| СГ75МТ-800-Р | 150 | 800 | 26,6 | 45 |
| СГ75МТ-1000-Р | 150 | 1000 | 32,5 | 45 |
| СГ75МТ-1600-Р | 200 | 1600 | 53,3 | 75 |
| СГ75МТ-2500-Р | 200 | 2500 | 80 | 75 |
| СГ75МТ-4000-Р | 200 | 4000 | 130 | 75 |
Примечание: диапазон измерения счетчиков увеличивается при повышении давления газа.

|
Обозначение исполнения счетчика |
Размеры, мм | |||||
|
Ду |
D | L |
H max |
H1 max |
B max |
|
|
СГ75МТ-160-Р |
80 | 140 | 240 | 258 |
267 |
291 |
| СГ75МТ-250-Р | ||||||
| СГ75МТ-400-Р |
100 |
164 | 300 | 282 | 291 | 304 |
| СГ75МТ-650-Р | ||||||
| СГ75МТ-800-Р | 150 | 218 | 450 | 353 | 362 | 348 |
| СГ75МТ-1000-Р | ||||||
| СГ75МТ-1600-Р | 200 | 295 | 424 | 431 | 380 | |
| СГ75МТ-2500-Р | ||||||
| СГ75МТ-4000-Р | ||||||
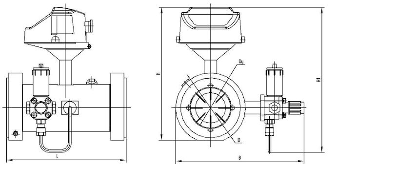
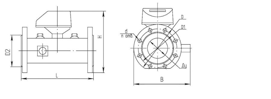
ГАБАРИТНЫЕ И ПРИСОЕДИНИТЕЛЬНЫЕ РАЗМЕРЫ СЧЕТЧИКОВ СГ16МТ (фланцевое исполнение)

|
Обозначение исполнения счетчика |
Размеры, мм | |||||||
|
Ду |
D | D1 | D2 | d/n | L |
H max |
B max |
|
| СГ16МТ-65-Р | 50 | 103 | - | - | - | 150 | 220 | 136 |
| СГ16МТ-100-Р | ||||||||
|
СГ16МТ-160-Р |
80 |
195 |
160 |
133 |
18/8 |
240 |
270 |
280 |
| СГ16МТ-250-Р | ||||||||
| СГ16МТ-400-Р | 100 | 215 | 180 | 158 | 18/8 | 300 | 285 | 305 |
| СГ16МТ-650-Р | ||||||||
| СГ16МТ-800-Р | 150 | 280 | 240 | 212 | 22/8 | 450 | 340 | 365 |
| СГ16МТ-1000-Р | ||||||||
| СГ16МТ-1600-Р | 200 | 335 | 295 | 268 | 22/12 | 450 | 390 | 430 |
| СГ16МТ-2500-Р | ||||||||
| СГ16МТ-4000-Р | ||||||||



